Phase 3: LiFePo4- Batterie
Jeder, der sich schon mal mit LiFePo4 Batterien beschäftigt hat, weiß das es da riesige Unterschiede im Preis und auch in der Technik gibt. Das fängt bei der Auswahl der Zellen an, geht über das Batterie Management System (BMS) bis hin zu Features wie Heizung oder Bluetooth. Dazu kommen noch Aspekte wie Service oder Gewährleistung. Für mich war klar, es durfte keine „billige“ China-Batterie sein, obwohl die Bauteile eh alle aus China kommen. Aber Konstruktion, Fertigung und Zertifizierung sollten schon europäischen Standards entsprechen.
Da das Fahrzeug im Winter draußen steht, legte ich Wert auf eine Heizung; ebenso auf einen aktiven Balancer. So fiel die Wahl auf die Bulltron Polar mit 300 Ah. Diese Batterie entspricht ungefähr der Länge und Breite der AGM, ist aber einiges höher. Aus diesem Grunde musste die Batteriehalterung entsprechend angepasst werden.
Auf Grund der Vorarbeiten war der Batteriewechsel einfach. Ich musste lediglich die Kennlinien von Solarregler und Ladebooster umstellen. Ursprünglich wollte ich das 17A Original-Ladegerät des Hobby 600 beibehalten. In der Stellung GEL sollte die Ladeschlussspannung von 14,2V zum neuen Akku passen. Allerdings zeigte die Praxis, dass das Ladegerät a) sehr lange braucht um den Akku voll zu bekommen und b) dass die Spannung mit ±0,5V doch sehr stark schwankt. Somit stand für mich fest, dass ich doch ein anderes Ladegerät verbauen wollte.
Das wird aber der nächste Ausbauschritt. Nun wollten wir mit dieser Konstellation erst einmal neun Tage in den Schnee fahren und Erfahrungen mit dem „neuen“ Wohnmobil sammeln.
Wie zu erwarten, war der Akku nach der Anreise zu 100% voll. Am Urlaubsort lief dann die Heizung rund um die Uhr durch. Abends kam entsprechend Licht dazu. Wir standen manchmal zwei Tage an einem Ort und fuhren dann vielleicht mal 30 km weiter. Der Ertrag der PV-Anlage war eher bescheiden, da die Sonne ziemlich flach am Himmel stand und die Berge auch lange Schatten warfen.
Das Diagramm des Votronic Batterie Computer zeigt, dass die Batterie nach 8 Tagen auf ca. 35% ihrer Kapazität entleert wurde. Während der relativ kurzen Fahrten und mit dem bisschen Sonne wurde sie tagsüber zwar immer wieder etwas aufgeladen, aber im Endeffekt nahm die Kapazität ab. Allerdings muss man bedenken, dass wir am Ende unserer Tour ohne Landstrom immer noch mehr Restkapazität hatten als vorher mit einer vollen AGM.
Das nächste Diagramm zeigt dann, wie die LiFePo4 während der Rückfahrt ganz schnell wieder geladen wurde. Als wir zuhause ankamen, war der Akku wieder voll.
Phase 4: Ladegerät und Wechselrichter
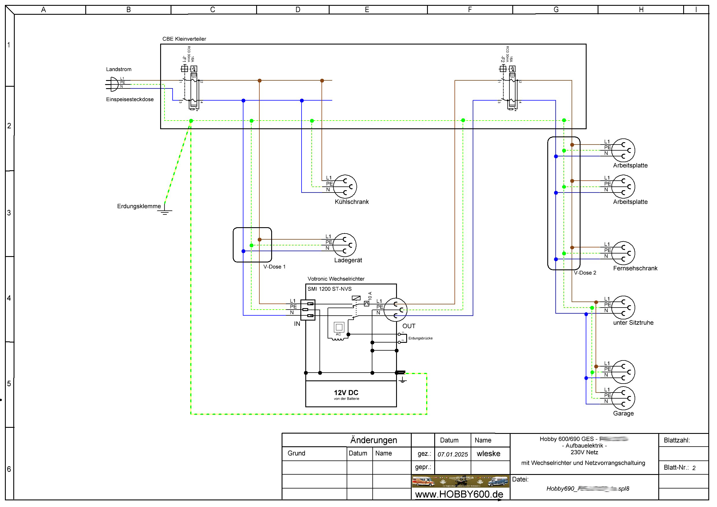
Bevor ich den letzten Schritt der Optimierung anging, musste ich mich mit dem 230V-Netz des Hobby 600/690 beschäftigen. Die Einspeisesteckdose sitzt in FR links unter der Sitztruhe. Die 230V- Verteilung mit dem FI/LS-Schutzschalter befindet sich aber in FR rechts unter der Seitensitzbank neben der Heizung.
Da ich auf jeden Fall einen Wechselrichter mit Netzvorrangschaltung einbauen wollte, prüfte ich zunächst, ob im 230V- Verteiler Platz für einen zweiten FI/LS vorhanden und ob dort eine Trennung der Kühlschrankeinspeisung möglich war. Somit war alles okay und es waren mal wieder Leitungsarbeiten im Doppelboden nötig.
Beim Wechselrichter fiel die Wahl auf den Votronic SMI 1200 Sinus ST-NVS. Mit seinen 1200 W Dauerleistung reicht er zum Betrieb eines 1000 W Fön. Gleichzeitig ist er von der Baugröße so kompakt, dass er an dem Querbrett der Sitztruhe über der Batterie befestigt werden kann. Somit ergeben sich auch kurze 12V Leitungswege.
Dafür war die Verlegung der 230V- Leitungen schon aufwändiger. Möglicherweise wäre ich mit Ausbau der Trittstufe auch an den Kabelweg gekommen. Der Aufwand erschien mir aber zu hoch, sodass ich eine Trennplatte aus dem Doppelboden entfernt. Sinnigerweise war sie an einer Stelle verschraubt, an die ich nicht drankam. So musste etwas Gewalt angewendet werden und drei Schrauben wurden ihrer Löcher beraubt.
Die 230V- Verdrahtung erfolgt so, dass Ladegerät und Kühlschrank nur bei Landstrom mit 230V versorgt werden. Alle Steckdosen im Fahrzeug werden sowohl bei Landstrom als auch über den Wechselrichter versorgt.
Die Fernbedienung für den Wechselrichter montierte ich analog zum Batteriecomputer an der B-Säule; diesmal hinter dem Beifahrersitz.
Als Ersatz für das Hobby- Ladegerät wählte ich auf Grund seiner Baugröße ein Victron Blue Smart Charger 12/30/1; also ein 30 A Ladegerät mit Lithium-Ionen-Kennlinie. Damit konnte die Optimierung der Aufbauelektrik in unserem Hobby 600/690 GES erst einmal abgeschlossen werden. Natürlich sind die Ladeanzeigen im Bedienpanel nicht mehr wirksam, aber dafür haben wir ja nun den Batteriecomputer mit seiner Fernanzeige.
Auch wenn die verbaute Hälfte der Sitztruhe nun sehr voll aussieht, so sind doch alle wichtigen Komponenten gut zugänglich. … und das Ganze ist dokumentiert!
Zusammenfassend noch einmal die wichtigsten Kenndaten:
- Solaranlage 2 x 210 Wp Back-Contact-Technologie
- Ladebooster 30 A
- Ladegerät 30 A
- LiFePo4 Batterie Bulltron Polar 300 Ah
- Wechselrichter 1200 W mit Netzvorrangschaltung
- Batterie Computer mit BT-Connector





Hinweis zum Datenschutz
Die Email-Adresse ist kein Pflichtfeld. Das Anzeigen des Feldes ist systembedingt. Wenn Du keine Email-Adresse eingibst, funktioniert das Abonnieren eines Kommentares nicht!