Man kann die Aufbauelektrik eines 18 Jahre alten Wohnmobils im Originalzustand belassen und sein Reiseverhalten den Möglichkeiten des Wohnmobils anpassen oder man optimiert die Aufbauelektrik und passt sie seinem Reiseverhalten an. Für uns kam nur letzteres in Frage und somit beschreibe ich hier, wie wir die Aufbauelektrik unseres Hobby 600/690 GES optimierten.
Die Ausgangslage
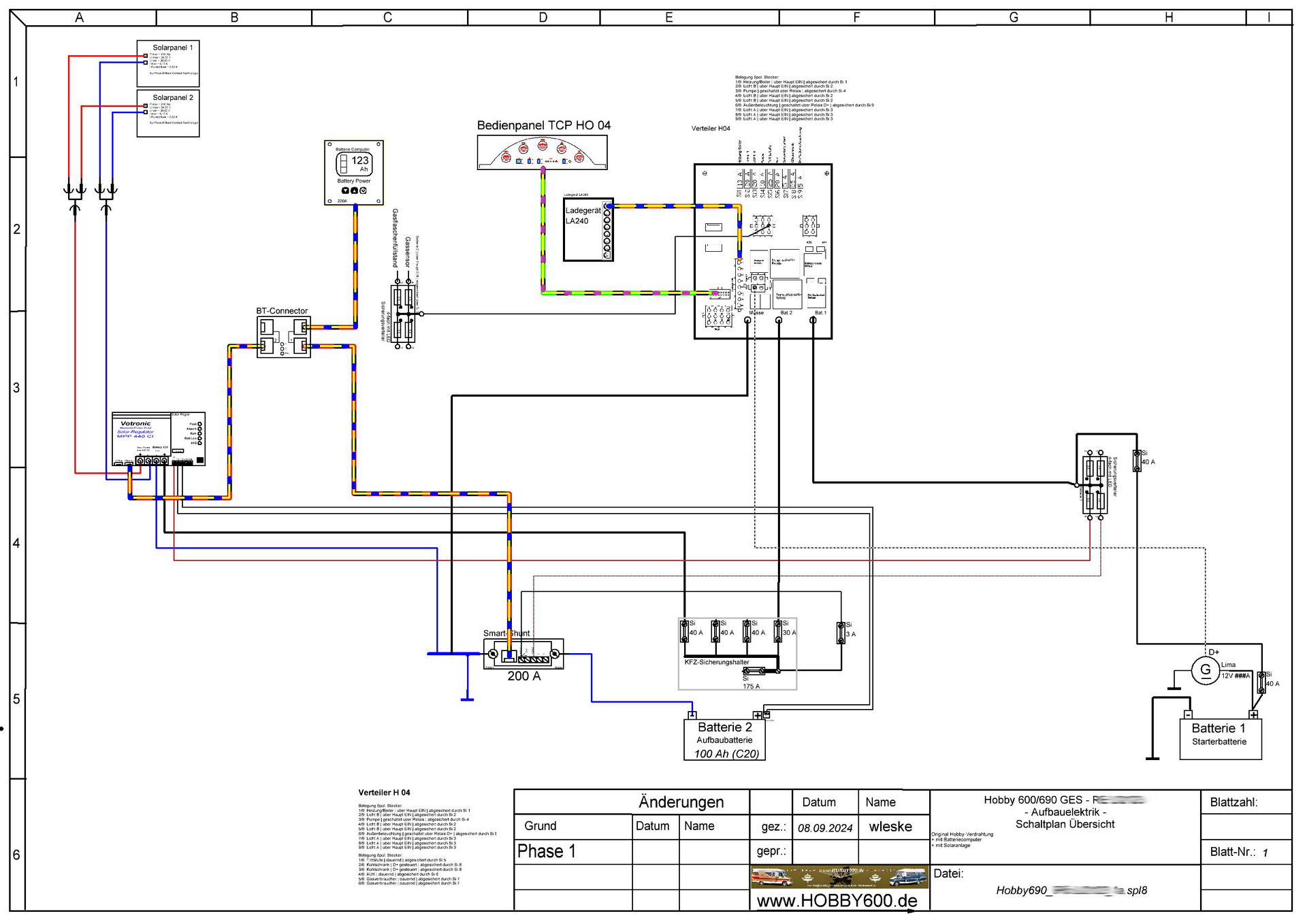
Die Aufbauelektrik des Fahrzeugs war beim Kauf so wie vor 18 Jahren ausgeliefert. Die Verdrahtung entsprach dem Schaltplan HO 04. Das Fahrzeug war mit einer 100 Ah AGM Batterie ausgerüstet. An Zubehör war eine automatische SAT-Anlage incl. Fernseher verbaut. Bis auf die Spannungsanzeige der Starterbatterie im Bedienpanel (TCP HO 04 ) funktionierte bei der Besichtigung auch alles soweit (dachte ich). Bei Landstrom leuchte die entsprechende Ladediode in den verschiedene Farben und bei einer bestimmten Spannung auch die LED für das Laden der Starterbatterie. Umgekehrt leuchtete die rote LED auch wenn der Motor lief. Also vermutete ich eine Fehler im Bedienpanel. Leider bekam ich weder vom Hobby-Wohnwagenwerk noch von Toptron über die bekannten Schaltpläne hinausgehende Information zur Kabelverlegung oder zu Details der Anzeigeeinheit. Somit musste ich selber die Kabelwege und Zusammenhänge der Verdrahtung erkunden.
Während in unserem „alten“ 600er jede Menge roter LEDs die verschiedenen Schaltzustände anzeigten, konnte man im „neuen“ 600er nicht mal erkennen, ob der Hauptschalter eingeschaltet ist. Das war dann auch eine der ersten Maßnahmen. Nun signalisiert eine rote LED im Bedienpanel den eingeschaltete Hauptschalter. Eine weitere Maßnahme bestand darin, alle verbauten Halogenleuchtmittel durch LEDs zu ersetzen.
Wie in einen anderen Beitrag beschrieben, wurde die Gasanlage mit einer Caramatic SafeDrive Plus ausgerüstet. Dafür musste ein Abgriff für die Fernanzeige im 12V- Verteiler erstellt werden.
Auf Grund der guten Erfahrungen mit dem MaxxFan in dem „alten“ 600er lag es natürlich nahe, den „neuen“ auch mit solch einem Ventilator auszurüsten. Dafür wurde die Dachhaube im Schlafbereich ausgebaut und ersetzt. Hier ist positiv anzumerken, dass seitens des Hobby-Wohnwagenwerk bereits eine Leitung für solch einen Einbau im Dach vorbereitet war. Sie endete über dem Bedienpanel. (Eine zweite Leitung liegt übrigens zum großen Dachfenster über der Sitzgruppe.) Da wir später auf LiFePo4 umrüsten wollten und ich die Diskussion mit (angeblichen) Überspannungen der MaxxFan-Platine verfolgt hatte, baute ich sicherheitshalber einen DC/DC-Wandler für die Spannungsversorgung des MaxxFan im ein.
Auf dem Dach des Hobby war eine automatische SAT-Anlage installiert. Da wir aber nicht vorhatten, darüber Fern zu sehen, wurde die Anlage entfernt. Die Dachdurchführung sollte später für die Solaranlage genutzt werden. Den Spannungsabgang über dem Kühlschank nutze ich aber nun für einen Titan TTC- Kühlschrank-Doppellüfter mit ø 140 mm.
Damit kam ich zum nächsten Problem: Der Kühlschrank lief während der Fahrt nicht auf 12V. Das wunderte mich doch sehr, da sowohl die rote LED für die Ladung während der Fahrt im Bedienpanel leuchtete als auch die elektrische Trittstufe automatisch einfuhr. Also hieß es mit Messgerät und nicht vorhandenen Schaltplänen auf Fehlersuche zu gehen. Obwohl die Lösung sich ganz simpel anhört, war ich doch erstaunt: Die 40A Sicherung für die Starterbatterie im Motorraum war durch. Sicherung ersetzt und der Kühlschrank lief wieder auf 12V. … und die Spannungsanzeige der Starterbatterie funktionierte auch wieder. Somit waren alle anderen Aussagen zum Ladeverhalten der Starterbatterie im Bedienpanel etwas für den Po.. . Diese Erkenntnis war aber für die spätere Verschaltung des Ladeboosters noch sehr wichtig.
Bevor ich nun die weiteren Modifikationen der Aufbauelektrik beschreibe, möchte ich zunächst unsere Anforderungen auf Grund unseres Reiseverhaltens beschreiben. Da das Fahrzeug von drei Familien genutzt wird, sind diese Anforderungen in gewisser Weise ein Kompromiss.
- 12 V- Verbraucher: Licht, Wasserpumpe, Heizung, MaxxFan und 5V- Ladegeräte
- Kein Fernseher, keine Klimaanlage
- Wechselrichter für max. 1200 W (Fön, Ladegeräte; keine Kochplatten!)
- LiFePo4- Akku mit ca. 300 Ah und Heizung (die schönsten Stellplätze haben keine Steckdose!)
- Solaranlage mit 420 Wp in der ersten Ausbaustufe
- Ladebooster 30 A für Ladung während der Fahrt
- Zentrale Montage der gesamten Elektrik in der vorhandenen Hälfte der Sitztruhe
- Montage von bewährten Komponenten deutscher Hersteller
Phase 1: Batteriecomputer und Solaranlage
In der ersten Ausbauphase wurde zunächst ein Votronic Batteriecomputer S mit 200 A Smart-Shunt verbaut. Dieses Gerät halte ich für das A und O einer jeden Elektroinstallation. Nur hiermit bekomme ich die wichtigsten Informationen üb
er die Aufbauelektrik. Das Anzeigegerät habe ich hinter dem Fahrersitz an der B-Säule montiert.
Dazu kam für die Solaranlage ein MPPT Regler, ebenfalls von Votronic. Der große Vorteil dieses Gerätes ist ein zweiter Ladeausgang für die Starterbatterie. Beide Geräte wurden dann mit einem Bluetooth Connector S-BC verbunden. So können die aktuellen Messwerte und verschieden Diagramme mit der Energy Monitor App auf dem Handy angezeigt werden. Dazu aber später mehr.
Für die Montage der Geräte in der Sitztruhe und die endgültige Ausbaustufe hatte ich mir verschiedene Kfz-Sicherungshalter besorgt. Für die Verdrahtung habe ich einen Schaltplan erstellt, der die späteren Ausbaustufen sofort mitberücksichtigte.
Die beiden SunPower® Back-Contact Solarplatten wurden auf Grund des gewölbten Hobby Dachs mit Eckspoilern im hinteren Bereich des Fahrzeugs befestigt (verklebt) und mit Y-Verbindern parallelgeschaltet. Anstelle der Dachdurchführung der SAT-Anlage wurde eine Durchführung für die Solarleitungen aufgeklebt. Die Leitungsführung vom Schrank über dem Kühlschrank in die Sitztruhe war etwas Trickie. Sie verläuft hinter dem Kühlschrank und dann seitlich in den Schrank unter dem Herd. Von dort geht es nach unten in den Doppelboden und dann in die Sitztruhe. Da der Doppelboden dort keine Öffnungen hat, waren lange Arme und Greifwerkzeuge erforderlich.
War der Hobby 600/690 vor dem Einbau der Solaranlage zum Ladungserhaltung der Aufbaubatterie ständig am Landstrom, so konnte nun darauf verzichtet werden. Die Solaranlage hält den Aufbauakku ständig voll. Dies lässt sich auch über die App gut nachvollziehen.
Phase 2: Ladebooster
Im nächsten Schritt wurde das Fahrzeug mit einem Ladebooster ausgerüstet. Auch hier kam wieder ein Votronic Gerät zum Einsatz. Sein Vorteil: ein eingebauter Rückladezweig 12 V/0 … 1 A, sorgt für die Ladung/Ladungserhaltung der 12 V-Starterbatterie bei langen Standzeiten. Er aktiviert sich automatisch bei externer Ladung der Aufbaubatterie durch ein Netzladegerät. Da ich die vorhandene Verbindungsleitung zwischen Starterbatterie und Aufbaubatterie beibehalten wollte, wählte ich die Variante VCC 1212-30 mit 30 A.
Mit Einbau des Ladeboosters musste ich das Original-Trennrelais im 12 V-Verteiler HO 04 außer Betrieb nehmen. Dazu war zunächst nur die B1+-Leitung am Verteiler H04 auf den Booster umzulegen. Allerdings wusste ich auf Grund meiner Fehlersuche nach den 12 V für den Kühlschrank, dass die Platine im 12V-Verteiler neben dem D+ auch die 12 V von der Starterbatterie benötigt. Also habe ich mit Hilfe einer Sicherung im 12V-Verteiler eine Brücke von Bat.1 nach Bat.2 gemacht. Somit übernimmt der Ladebooster die Ladung der Aufbaubatterie und die Platine im H04 schaltet über D+ den Kühlschrank. Eine Verbindung der beiden Batterien über das Trennrelais findet nicht mehr statt.
Auf jeden Fall war es schon schön, am Batterie-Computer zu sehen, wie die Aufbaubatterie während er Fahrt mit 30 A geladen wurde. .. und es war immer noch die AGM Batterie!
Phase 3: LiFePo4- Batterie
Jeder, der sich schon mal mit LiFePo4 Batterien beschäftigt hat, weiß das es da riesige Unterschiede im Preis und auch in der Technik gibt. Das fängt bei der Auswahl der Zellen an, geht über das Batterie Management System (BMS) bis hin zu Features wie Heizung oder Bluetooth. Dazu kommen noch Aspekte wie Service oder Gewährleistung. Für mich war klar, es durfte keine „billige“ China-Batterie sein, obwohl die Bauteile eh alle aus China kommen. Aber Konstruktion, Fertigung und Zertifizierung sollten schon europäischen Standards entsprechen.
Da das Fahrzeug im Winter draußen steht, legte ich Wert auf eine Heizung; ebenso auf einen aktiven Balancer. So fiel die Wahl auf die Bulltron Polar mit 300 Ah. Diese Batterie entspricht ungefähr der Länge und Breite der AGM, ist aber einiges höher. Aus diesem Grunde musste die Batteriehalterung entsprechend angepasst werden.
Auf Grund der Vorarbeiten war der Batteriewechsel einfach. Ich musste lediglich die Kennlinien von Solarregler und Ladebooster umstellen. Ursprünglich wollte ich das 17A Original-Ladegerät des Hobby 600 beibehalten. In der Stellung GEL sollte die Ladeschlussspannung von 14,2V zum neuen Akku passen. Allerdings zeigte die Praxis, dass das Ladegerät a) sehr lange braucht um den Akku voll zu bekommen und b) dass die Spannung mit ±0,5V doch sehr stark schwankt. Somit stand für mich fest, dass ich doch ein anderes Ladegerät verbauen wollte.
Das wird aber der nächste Ausbauschritt. Nun wollten wir mit dieser Konstellation erst einmal neun Tage in den Schnee fahren und Erfahrungen mit dem „neuen“ Wohnmobil sammeln.
Wie zu erwarten, war der Akku nach der Anreise zu 100% voll. Am Urlaubsort lief dann die Heizung rund um die Uhr durch. Abends kam entsprechend Licht dazu. Wir standen manchmal zwei Tage an einem Ort und fuhren dann vielleicht mal 30 km weiter. Der Ertrag der PV-Anlage war eher bescheiden, da die Sonne ziemlich flach am Himmel stand und die Berge auch lange Schatten warfen.
Das Diagramm des Votronic Batterie Computer zeigt, dass die Batterie nach 8 Tagen auf ca. 35% ihrer Kapazität entleert wurde. Während der relativ kurzen Fahrten und mit dem bisschen Sonne wurde sie tagsüber zwar immer wieder etwas aufgeladen, aber im Endeffekt nahm die Kapazität ab. Allerdings muss man bedenken, dass wir am Ende unserer Tour ohne Landstrom immer noch mehr Restkapazität hatten als vorher mit einer vollen AGM.
Das nächste Diagramm zeigt dann, wie die LiFePo4 während der Rückfahrt ganz schnell wieder geladen wurde. Als wir zuhause ankamen, war der Akku wieder voll.
Phase 4: Ladegerät und Wechselrichter
Bevor ich den letzten Schritt der Optimierung anging, musste ich mich mit dem 230V-Netz des Hobby 600/690 beschäftigen. Die Einspeisesteckdose sitzt in FR links unter der Sitztruhe. Die 230V- Verteilung mit dem FI/LS-Schutzschalter befindet sich aber in FR rechts unter der Seitensitzbank neben der Heizung.
Da ich auf jeden Fall einen Wechselrichter mit Netzvorrangschaltung einbauen wollte, prüfte ich zunächst, ob im 230V- Verteiler Platz für einen zweiten FI/LS vorhanden und ob dort eine Trennung der Kühlschrankeinspeisung möglich war. Somit war alles okay und es waren mal wieder Leitungsarbeiten im Doppelboden nötig.
Beim Wechselrichter fiel die Wahl auf den Votronic SMI 1200 Sinus ST-NVS. Mit seinen 1200 W Dauerleistung reicht er zum Betrieb eines 1000 W Fön. Gleichzeitig ist er von der Baugröße so kompakt, dass er an dem Querbrett der Sitztruhe über der Batterie befestigt werden kann. Somit ergeben sich auch kurze 12V Leitungswege.
Dafür war die Verlegung der 230V- Leitungen schon aufwändiger. Möglicherweise wäre ich mit Ausbau der Trittstufe auch an den Kabelweg gekommen. Der Aufwand erschien mir aber zu hoch, sodass ich eine Trennplatte aus dem Doppelboden entfernt. Sinnigerweise war sie an einer Stelle verschraubt, an die ich nicht drankam. So musste etwas Gewalt angewendet werden und drei Schrauben wurden ihrer Löcher beraubt.
Die 230V- Verdrahtung erfolgt so, dass Ladegerät und Kühlschrank nur bei Landstrom mit 230V versorgt werden. Alle Steckdosen im Fahrzeug werden sowohl bei Landstrom als auch über den Wechselrichter versorgt.
Die Fernbedienung für den Wechselrichter montierte ich analog zum Batteriecomputer an der B-Säule; diesmal hinter dem Beifahrersitz.
Als Ersatz für das Hobby- Ladegerät wählte ich auf Grund seiner Baugröße ein Victron Blue Smart Charger 12/30/1; also ein 30 A Ladegerät mit Lithium-Ionen-Kennlinie. Damit konnte die Optimierung der Aufbauelektrik in unserem Hobby 600/690 GES erst einmal abgeschlossen werden. Natürlich sind die Ladeanzeigen im Bedienpanel nicht mehr wirksam, aber dafür haben wir ja nun den Batteriecomputer mit seiner Fernanzeige.
Auch wenn die verbaute Hälfte der Sitztruhe nun sehr voll aussieht, so sind doch alle wichtigen Komponenten gut zugänglich. … und das Ganze ist dokumentiert!
Zusammenfassend noch einmal die wichtigsten Kenndaten:
- Solaranlage 2 x 210 Wp Back-Contact-Technologie
- Ladebooster 30 A
- Ladegerät 30 A
- LiFePo4 Batterie Bulltron Polar 300 Ah
- Wechselrichter 1200 W mit Netzvorrangschaltung
- Batterie Computer mit BT-Connector





Hinweis zum Datenschutz
Die Email-Adresse ist kein Pflichtfeld. Das Anzeigen des Feldes ist systembedingt. Wenn Du keine Email-Adresse eingibst, funktioniert das Abonnieren eines Kommentares nicht!